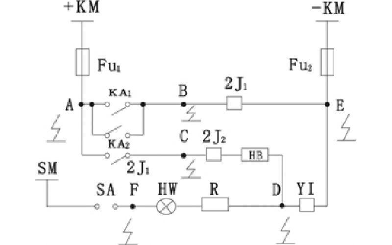
便携式直流接地故障点查找仪工作原理
2023-09-28 科威
电气倒闸操作知识分享
2023-04-11 科威
直流系统接地的处理方法知识分享
2023-04-03 科威
直流串电与直流接地故障判断与简单查找方法知识
2022-04-28 科威电气