爱游戏体育-爱游戏| 爱游戏官方网站

新闻动态

  • 继电器故障误动作故障联锁案例

    空分装置空压机组联锁跳车,经查机组ITCC控制系统中 SOE 记录的跳车原因为速关油油压低联锁跳车。报警动作内容是汽机主汽门全开信号丢失,同一时刻速关油压力开关70PSA502、70PSA503动作,触发汽机紧急停车联锁。

    2024-12-06 科威

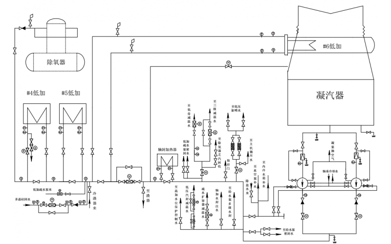
  • 小汽机前轴承双金属温度计指示为负原因分析

    该温度是测量小汽轮机前轴承温度,量程 0~150℃,70℃报警,75℃跳车,与92TE-009二取二联锁,容易引起跳车。 所以平时巡检维护应作为重点仪表检查对待。在线检修时一定要按规定办理联锁切除票和检修工作票。

    2024-12-02 科威

  • 什么情况下要破真空停机?真空破坏阀开启有没有转速限制?

    为什么正常停机时不能打闸后立即破坏真空? 如果正常停机时打闸后即破坏真空,则会导致大量冷空气进入凝汽器,使凝汽器和低压缸迅速冷却,产生很大的“冷冲击”,会造成凝汽器铜管急剧收缩,可能会使其胀口松动,产生泄漏等问题,低压缸和低压转子的热应力增大,有时还会诱发机组振动增大。同时在较高转速下破坏真空,空气进入低压缸对转子叶片有较大的制动作用,而且会发热,尤其是长叶片,所以在非故障状态下不应过早破坏真空。

    2024-08-26 科威

  • 凝汽器灌水查漏操作要点有哪些?

    凝汽器灌水查漏操作要点有哪些? 1.机组停运,高压缸调节级温度低于100℃。 2.凝汽器底部加装临时支撑和临时水位计,水位计上口不允许封口。 3.开启机组各段抽汽疏水门。 4.关闭主再热蒸汽冷段热段、高旁前后,导汽管、调节级、汽缸夹层疏水电动门,和低旁减温水电动门。 5.关闭A、B凝结水泵进口手动门,抽空气手动门,关闭凝结水再循环调整门。 6.关闭A、B真空泵入口手动门,气动门。

    2024-08-16 科威

  • 凝结水泵切换操作票

    1.接值长令:A凝结水泵切换至B凝结水泵; 2.检查B凝结水泵具备启动条件,密封水、轴承冷却水进出水门全开,凝结水泵抽空气门开启3圈; 3 查询B凝结水泵上一周期运行情况:运行电流 电机轴承温度 4.关闭B凝结水泵出口电动门,退出B凝结水泵联锁;

    2024-08-16 科威

  • DDV阀介绍及其应用

    200MW以上机组配备的DEH产品主要以高压抗燃油全电调为主,随着电力市场的发展,电厂控制的自动化程度不断提高,小机组汽机控制系统的自动化程度在不断地提高。而小机组投资相对较少,低压纯电调改造方案既解决了投资地问题,又满足了电厂自动化控制的要求。2001年开始GE新华为了满足用户的要求,设计采用了一种以直线马达驱动的电液转换器(DDV阀)为电液接口的低压透平油纯电调系统。下面就DDV阀的结构、特点及结合顶目的应用来说明

    2024-08-05 科威

  • 锅炉汽包水位出现大幅波动时调节要点

    一、汽包水位可能出现大幅度波动的情况: 1)高加故障解列; 2)磨煤机跳闸; 3)带粉投磨尤其是启机初期; 4)炉水泵跳闸及启停; 5)冷态启动中,炉水达到沸点时; 6)机组启动过程中的冲转、并网;

    2024-07-29 科威

  • 高加外置式蒸汽冷却器

    回热循环及蒸汽冷却器 回热循环被现代蒸汽动力工程所普遍采用,是在朗肯循环的基础上,对吸热过程加以改进而得到的。 在朗肯循环中,新蒸汽的热量在汽轮机中转变为功的部分只占30%左右,而其余70%左右的热量随乏汽进入凝汽器,在凝结过程中被循环水带走了。 另外,进入锅炉的给水温度是凝汽器工作压力下的饱和温度。因为凝汽器内饱和温度很低,在锅炉内将给水加热到过热蒸汽的整个过程,吸热平均温度不高,致使朗肯循环热效率也较低。为了提高工质的平均吸热温度,减少凝汽器中被冷却水所带走的热量,人们采用了利用抽汽加热给水的热力循环——回热循环。采用回热可提高平均加热温度,从而提高装置的热效率。

    2024-07-24 科威

上一页1234567...8下一页 转至第
爱游戏体育-爱游戏| 爱游戏官方网站
产品
新闻
联系